Industrial Automation
for the Real World

Right-sized automation solutions for manufacturers who want results — not complexity. From PLC programming to enterprise SCADA, we align the right technology to your actual operational needs.

Highlight Projects

A track record spanning Asia, Europe, and Africa — from renewable energy to heavy industry. Every project delivered personally by our founder.

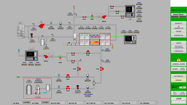
Renewable Power Plant SCADA

Renewable Power Plant SCADA

A renewable energy operator needed visibility across 7 geographically dispersed power plants. We designed and built a centralized SCADA system that unified all sites into a single real-time dashboard — giving operators full control from one screen and cutting response time to plant anomalies.

Development Ignition 8.1 Perspective Python MariaDB DNP3 OPC-UA Asia
Aluminum Handling System

Downstream Aluminium Handling

Brought in from concept through to production on a new aluminium extrusion handling line. We handled full software development, power energization, drive configuration, and commissioning — delivering a production-ready system on schedule in Europe.

Development Commissioning TIA Portal WinCC S7-1500F S120 Europe
Concrete Sleeper Plant

Railway Concrete Sleeper Plant

Full project delivery for a railway infrastructure client in Africa — from PLC software development through on-site commissioning. The automated casting line was validated against strict production specifications and handed over ready for high-volume operation.

Development Commissioning TIA Portal WinCC S7-1500F Africa
Hydraulic Forging Press

Hydraulic Forging Press

Took ownership of commissioning and optimization for a high-pressure hydraulic forging press in the European metals sector. Integrated Bosch hydraulics with Siemens safety-rated PLC control and IO-Link field devices, ensuring the press met full cycle performance targets.

Commissioning TIA Portal S7-1500F Bosch IO-Link Metals Europe
Experimental Engine SCADA

Experimental Engine SCADA

Developed the full SCADA visualization system for an experimental totem engine research project in Europe. The system provided researchers with real-time data acquisition and process visibility over Modbus TCP — purpose-built to support precise experimental conditions.

Development TIA Portal WinCC Professional S7-1500F Modbus TCP Europe
Coal and Clay Storage

Coal and Clay Storage

Configured and validated fail-safe field devices for a fully automatic bulk storage system in Asia. The system required precise safety architecture to meet specification — all automatic cycle modes were verified and signed off for production operation.

Commissioning TIA Portal WinCC Professional S7-1500F G120 Asia
View Projects →

What Clients Say

Trusted by project managers and engineering leads across three continents.

Delivered a robust SCADA solution under tight deadlines and across a complex multi-site setup. The ability to adapt technically and communicate clearly with our international team made the difference between a delayed project and a successful one.

Project Manager
Renewable Energy Sector — Asia

From software development to on-site commissioning, the level of ownership shown was exceptional. We went from startup to production-ready with zero major issues at handover — something you don't always get even with much larger teams.

Engineering Lead
Industrial Machinery OEM — Europe

What sets PulseIQ apart is the "right-sized" approach. We weren't oversold. The solution was perfectly matched to our operational requirements and our team can actually maintain it — which was our biggest concern going in.

Plant Operations Director
Manufacturing — Southeast Asia

Ready to Automate Smarter?

Not sure where to start? A free 30-minute consultation with PulseIQ could save you from a costly wrong investment. Let's talk about what your operation actually needs.

Book a Free Consultation →
📧
Email
[email protected]
📞
Phone / WhatsApp
+63 905 509 1301
📍
Based In
Philippines
🌏
Serving
Asia · Europe · Africa